33MnCrB5 Borlu Çelik Ve Ç 1050 Çelik Malzemenin Adhesive Aşınma Direncinin Araştırılması
Bor çelikleri, sementasyon ve ıslah kalitesindeki bazı çeliklerin bünyesine çok düşük oranlarda Bor ilave edilerek üretilen çeliklerdir

Bor çelikleri, sementasyon ve ıslah kalitesindeki bazı çeliklerin bünyesine çok düşük oranlarda Bor ilave edilerek üretilen çeliklerdir. Ç 1050 ise cer kancası, dişli, kazma, civata, mil ve şaft yapımında ve birçok alanda kullanılan imalat çeliğidir. Bu çalışmada, 33MnCrB5 borlu çeliğin ve Ç 1050 çelik malzemenin 60 N yük altında ve 1 m/sn kayma hızında adhesiv aşınma davranışı araştırılmıştır. Bu malzemelerin sürtünme kuvveti, sürtünme katsayısı ve aşınmada oluşan sıcaklık değerleri belirlenmiştir. Deneysel sonuçlar, 33MnCrB5 borlu çeliğin, Ç 1050 çeliğe nazaran daha yüksek aşınma kaybına, daha düşük sürtünme kuvveti ve katsayısına sahip olduğunu ve aşınma sırasında daha düşük sıcaklık meydana getirdiğini ortaya koymaktadır.
Anahtar Kelimeler: Adhasiv aşınma, Borlu çelik, Sertlik, Mikroyapı,
1. GİRİŞ
Yapısal çelikler için Mn, Ni, Mo, Cr ve B gibi alaşım elementleri sık sık mikroyapının modife edilmesi ile mukavemet ve tokluğu geliştirmek için ilave edilmektedir. Birçok alaşım elementleri beynit benzeri oluşumları teşvik ederek sertleşebilirliği arttırmaktadır. Bor tane sınırlarına birikerek tane sınırı kohesive mukavemetini geliştirir [1]. Sözkonusu seğregasyon ve bu seğregasyonun tane sınırlarında bor için daha yüksek bağlanma enerjisine neden olduğu diğer kaynaklarda da sık sık ifade edilmektedir [2, 3]. Borlu çelikler, orta karbonlu çeliklere az miktarda bor ilavesi ile ısıl işlem sırasında sertleşebilirliği arttırmak için geliştirilmiştir. Bu çelikler çok daha yüksek karbonlu çelikler ve daha pahalı olan düşük alaşımlı çeliklere eşdeğer sertleşebilirlik serglemektedirler [4]. Daha yüksek pasif güvenlik ve ağırlık azaltma gereksinimlerini karşılamak
için otomotiv endüstrisinde çok yüksek mukavemetli çeliklerin kullanımı artmaktadır[5,6].
Borlu çeliklerin sıcak dövülmesi, çok yüksek mukavemetli çelik parçaların açık kesitlerini üretmek için tek yöntemdir [5]. Sıcak dövme için su verilebilir yüksek mukavemetli çelik için Standard malzeme olarak 22MnB5 yaygın olarak kullanılmaktadır [7]. Borlu çelikler aynı zamanda radyoaktif atık ekipmanı için nötron örtüleyici olarak nükleer endüstrisinde kullanılmaktadır [8]. 33MnCrB5 tipi borlu çelikler, temperlenmiş halde 400 MPa akma dayanımı, 550 MPa çekme dayanımı ve 25 uzama sergilerken, 840 C’de östenitleme ardından suda soğutma neticesi 1845 MPa çekme dayanımı ve 53 Rc sertlik elde edilirken, 880 C’de östenitleme ardından yağda soğutma neticesi 1675 MPa çekme dayanımı ve 50 Rc sertlik değeri elde edilmektedir [9].
Farklı borlu çelik malzemelerin farklı mekanik özellikleri ile sertleşebilirlik özellikleri incelenmiş olmasına rağmen[10-12], sözkonusu malzemenin adhasiv aşınma davranışı incelenmemiş ve geleneksel malzemelere göre karşılaştırılmaları yapılmamıştır. Bu çalışmada, 33MnCrB5 borlu çeliğin ve Ç 1050 çelik malzemenin adhasiv aşınma davranışı, sürtünme kuvveti ve sürtünme sürecinde meydana gelen sıcaklık artışı incelenmiştir.
2. DENEYSEL ÇALIŞMALAR
2.1. Deney Numunelerinin Hazırlanması
Deneysel çalışmada kullanılan 33MnCrB5 ve Ç 1050 malzeme, sırasıyla 40 mm çapında 100 mm uzunluğunda ve 20 mm çapında ve 500 mm uzunluğunda temin edilmiş ve tornalarak 6 mm çapında 50 mm uzunluğunda silindirik aşınma numuneleri elde edilmiş ve numuneler satınalınmış durumda incelenmiş ve sözkonusu malzemelerin kimyasal bileşimi Tablo 1 ve 2’de verilmiştir.
Tablo 1. Kullanılan 33MnCrB5 Borlu çeliğin kimyasal bileşimi
C Si Mn P S Cr
0,36 0,245 1,30 0,017 0,0022 0,299
Ni Mo Al Cu Co Ti
0,103 0,0531 0,0216 0,223 0,0074 0,0425
V W Pb B Sn Fe
0,0016 0,0067 0,0013 0,0015 0,0151 97,3
Tablo 2. Deneylerde kullanılan Ç 1050 malzemesinin kimyasal bileşimi ()
C Si Mn Cr Ni Mo Cu
0.344 0.130 0.425 0.318 0.073 0.3979 0.073
2.2. Mikroyapısal İnceleme
6 mm çapındaki silindirik malzemelerden kesilen mikroyapı numuneleri soğuk gömme işleminden sonra 250, 400, 600, 800, 1000 ve 1200 mesh SiC zımpara ile zımparalanmış, 1 m elmas pasta ile parlatılmış ve 2 Nital ile dağlanmıştır. Mikroyapı incelemeleri Olympus marka optik mikroskop ile yapılmış ve CCD kamera ve yazılım programı ile bilgisayara aktarılmıştır.
2.3. Sertlik Testi
33MnCrB5 ve Ç 1050 malzemelerin sertlik testleri, Instron Wolpert marka sertlik cihazında 150 Kg yük kullanılarak Rc sertlik testi uygulanmış ve her bir numune için 5 sertlik testi yapılmış ve değerlerin ortalamaları alınmıştır.
2.4. Aşınma Testi
33MnCrB5 ve Ç 1050 malzemelerin aşınma testleri Şekil 1’de şematik olarak gösterilmiş olan disk üzerinde pim cihazında, kuru ortamda, normal atmosfer koşullarında, 1 m s-1 kayma hızında, 60 N yük altında ve 3600 m kayma mesafesinde gerçekleştirilmiştir. Aşındırıcı disk olarak 63 HRC sertliğindeki AISI 52100 soğuk iş takım çeliği kullanılmıştır. Diskin yüzeyi deney öncesinde 0.5 m taşlanmıştır. Aşınma testi neticesi elde edilen aşınma miktarları 0,1 mg hassasiyete sahip terazide tartılarak elde edilmiştir. Ayrıca aşınma testi sürecinde meydana gelen sürtünme kuvveti yük hücresi, sıcaklık artışları termokapl aracılığıyla arayüz kartı ile bilgisayar ortamına aktarılmıştır. 
Şekil 1. Disk üzerinde pim aşınma cihazının şematik gösterimi
3. DENEY SONUÇLARI VE TARTIŞMA
3.1. Mikroyapısal İnceleme Sonuçları
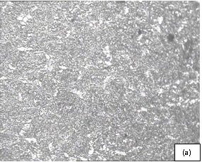
Kullanılan Borlu çelik ve Ç 1050 malzemelerin mikroyapıları sırasıyla Şekil 2 (a) ve (b)’de verilmiştir. Borlu çeliğin Ç 1050 malzemeye göre oldukça ince bir yapıya sahip olduğu görülmektedir. Mikroyapı görüntüleri incelendiğinde ferrit hacim oranının borlu çelikte oldukça yüksek olduğu, ancak ferrit fazının borlu çelikte homojen olarak dağıldığı, Ç 1050 malzemede ise ferritin ağ şeklinde dağıldığı anlaşılmaktadır.
3.2. Sertlik Testi Sonuçları
Numenelerin RC sertlik değerleri Tablo 3’de verilmiştir. Buna göre satınalınmış haldeki 33 MnCrB5 borlu çelik malzemenin sertlik değerinin Ç 1050 malzemeye yakın olduğu tespit edilmiştir
Tablo 3. 33MnCrB5 borlu çelik ve Ç 1050 malzememnin Rc sertlik değerleri
Numune no Sertlik (HRc)
Ç 1050 18
33MnCrB5 19 

Şekil 2. (a) 33MnCrB5 borlu çelik ve (b) Ç 1050 malzemenin mikroyapısı, X 70
3.3. Aşınma Testi Sonuçları
Aşınan numunelerin aşınma miktarları, sürtünme kuvveti ve oluşan sıcaklık Tablo 4’de verilmiştir. Aşınma deneyi boyunca elde edilen sıcaklık ve sürtünme kuvveti veri sayfaları Şekil 3’de gösterilmiştir. Aşınma miktarları incelendiğinde 33MnCrB5 borlu çelik malzemenin Ç 1050 malzemeye göre 2,44 kat daha fazla aşındığı, öte yandan Ç 1050 malzemenin ise 1,34 kat daha yüksek sürtünme kuvveti oluşturduğu ve 8 daha fazla sıcaklık meydana getirdiği tespit edilmiştir. Aşınma miktarı, sürtünme kuvveti ve sıcaklık birlikte değerlendirildiği zaman, aşınma miktarı yüksek olan borlu çelik malzemenin kolaylıkla aşınabildiği için sürtünme kuvvetinin yüksek olmadığı ve aşındırılarak uzaklaştırılan malzemeile birlikte ısının da uzaklaştırılması neticesi sıcaklığın çok fazla yükselmediği anlaşılmaktadır. Numunelerin stereo mikroskop altında yapılan aşınma yüzey incelemeleri neticesi elde edilen görüntüler Şekil 4’de görülmektedir. Buna göre Ç 1050 malzemenin aşınma yüzeyinde aşırı derecede yoğun aşınma izleri ve yoğun deformasyon sözkonusu iken, borlu çelik malzemenin kolaylıkla aşınabildiği ve deformasyonun bulunmadığı dikkat çekmektedir. 
(a)

(b)
Tablo 4. 33MnCrB5 borlu çelik ve Ç 1050 malzemenin aşınma miktarı, sürtünme kuvveti ve sıcaklık değerleri
Malzeme Aşınma (mg) Kuvvet(N) Sıcaklık(˚C )
33MnCrB5 21,85 19,4 81,9
Ç 1050 8,95 26 88,7
Şekil 3. 60 N yük altında (a) 33MnCrB5 borlu çelik (b) Ç 1050 malzemenin aşınma deneyinde elde edilen veri sayfası
Şekil 4. 60 N yük altında (a) 33MnCrB5 borlu çelik (b) Ç 1050 malzemenin aşınma yüzeyi
Numunelerin aşınma yüzeyleri ve mikroyapıları birlikte değerlendirildiğinde, farklı aşınma davranışı göstermelerinin temel nedeni malzememelerin sahip olduğu farklı mikroyapılardır. Daha düşük ferrit hacim oranına ve daha kaba yapıya sahip Ç 1050 malzemenin aşınma şartları açısından daha yüksek dirence sahip olduğu tespit edilmiştir. Diğer taraftan yüksek ferrit hacim oranına ve daha ince yapıya sahip borlu çeliğin ise aşınmaya karşı direnç göstermediği ve çıkan aşınma atıklarının abrasiv aşınmaya sebep olduğu, daha düzgün aşınma yüzey görüntüsünden anlaşılmaktadır.
4. SONUÇLAR
• Ç 1050 malzemeye göre borlu çelik malzeme daha ince bir yapıya ve daha yüksek ferrit hacim oranına sahiptir.
• Borlu çelikte ferrit hacim oranının yüksek olmasına rağmen, ince yapıya sahip olması nedeniyle, borlu çelikte çok az daha yüksek sertlik elde edilmiştir.
• Borlu çelikte, Ç 1050 malzemeye göre daha yüksek aşınma kaybı, daha düşük sürtünme kuvveti ve sıcaklık elde edilmiştir.
5. KAYNAKLAR
[1] H.J. Jun, J.S. Kang, D.H. Seo, K.B. Kang, C.G. Park, Effects of deformation and boron on microstructure and continuous cooling transformation in low carbon HSLA steels Materials Science and Engineering A 422 (2006) 157–162,
[2] T. Sourmail, T. Okuda and J. E. Taylor Formation of chromium borides in quenched modified 310 austenitic stainless steel. Scripta Mater. 50:2004, 1271-1276
[3] E. L´opez-Chipres, I. Mej´ıa, C. Maldonado, A. Bedolla-Jacuinde, J.M. Cabrera Hot ductility behavior of boron microalloyed steels Materials Science and Engineering A 5093(07)00159-1
[4] www.corusgroup.com
[5] P Åkerstr¨om, B Wikman and M Oldenburg Material parameter estimation for boron steel from simultaneous cooling and compression experiments
Modelling Simul. Mater. Sci. Eng. 13 (2005) 1291–1308
[6] Wielander and Schill UK Ltd.
[7] M. Merklein 1, J. Lechler Investigation of the thermo-mechanical properties of hot stamping steels Journal of Materials Processing Technology 177 (2006) 452–455
[8] M. Zawiskya,, M. Basturka, R. Derntla, F. Dubusa, E. Lehmannb, P. Vontobel Non-destructive 10B analysis in neutron transmission experiments Applied Radiation and Isotopes 61 (2004) 517–523
[9]http://www.swedishsteel.co.uk, Docol Hardenable Steel
[10] E. L´opez-Chipres, I. Mej´ıa, C. Maldonado, A. Bedolla-Jacuinde, M. El-Wahabi, J.M. Cabrera, Hot flow behavior of boron microalloyed steels, Materials Science and Engineering A,PII: S0921-5093(07)01380-9
[11] E. L´opez-Chipres a, I. Mejia, C. Maldonado a, A. Bedolla-Jacuinde, J.M. Cabrera, Hot ductility behavior of boron microalloyed steels Materials Science and Engineering A 460–461 (2007) 464–470
[12] P. Akerstrom, M. Oldenburg, Austenite decomposition during press hardening of a boron steel—Computer simulation and test, Journal of Materials Processing Technology 174 (2006) 399–406
5. ÖZGEÇMİŞ
Doç. Dr. Ferhat GÜL
1963 yılında Sinop’ta doğdu. Gazi Üniversitesi Teknik Eğitim Fakültesi Döküm Öğretmenliği’den mezuniyetinin ardından aynı birimde 1986 yılında Araştırma Görevlisi olarak çalışmaya başladı. Halen aynı bölümde öğretim üyesi olarak görev yapmaya devam etmektedir. Döküm, döküm malzemelerin ısıl işlemleri, alaşımlama, malzemelerin mekanik ve diğer incelemeleri, aşınma gibi daha birçok alanda çalışmalar yapmaktadır.
İbrahim Fırat BALKAYA
1977 yılında Ankara’da doğdu. Gazi Üniversitesi Teknik Eğitim Fakültesi Döküm Öğretmenliği’den 2006 yılında mezun oldu. Halen Ankara’da YENERSAN firmasında üretim ve kalite sorumlusu olarak çalışmaktadır.
Öğr.Gör. Rıdvan KARAAĞAÇ
1961 yılında Ankara’da doğdu. Gazi Üniversitesi Teknik Eğitim Fakültesi Talaşlı İmalat Öğretmenliği’den 1983 yılında mezun oldu. Halen Gazi Üniversitesi Kalıp Öğretmenliği bölümünde görev yapmaktadır.
TEŞEKKÜR
Çalışmaya sağladığı katkıdan dolayı Sn. Burak GÜL’e teşekkür ederiz.




